YBX3系列隔爆型三相異步電動機
分類:低壓系列 點擊次數:6196 發布時間:2021-11-14概述
YBX3系列隔爆型三相異步電動機是YB3系列隔爆型三相異步電動機的更新換代產品。是國家推廣使用的高效電機。具有效率高、噪聲低、需動小,堵轉轉矩高,運行可靠、外形美觀等特點,是使用在石油、化工、煤炭工業中的重要電工產品之一。
該系列電機的隔爆性能符合GB3836.1《爆炸性環境第一部分:設備通用要求》和GB3836.2《爆炸性環境第二部分:由隔爆外殼“d”保護的設備》的規定。產品機械電氣性能符合JB/T7565.1-2011《隔爆型三相異步電動機技術條件第一部分:YBX3系列E三相異步電動機(機座號80-355)》。
我公司可以按照客戶要求設計、制造備種電壓、各種頻率、各種安裝方式的電動機產品,如220V,440V電壓,60HZ頻率,并向用戶提供完善的技術服務。
產品使用條件
額定功率:0.75~375KW
額定電壓:380V、660V、380V/660V、660V/1140V
額定頻率:50Hz
防爆標志:ExdIIBT4Gb
冷卻方式:IC411(外循環表面冷卻)
環境問度:-15C~40C
工作制:連續工作制S1
海拔:不超過1000米
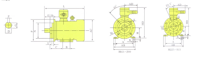
外形及安裝方式
IMB3

